Sperry Vickers / Toshiba
SQP Double Pump hydraulic pump
This motor and pump combination was removed from an injection mold press that was retired for reasons other than hydraulics. The low-volume cartridge was replaced a few years back, and I would estimate it has about 2500 hrs of run time. The machine had been retrofitted with additional oil filtration for extra protection from wear. It has always run AW46, maintained at 90°F.
This pump has run perfectly, and there is no indication of impending failure whatsoever. Nonetheless, it is used, hence, no long term warranty. But if it is found to be immediately defective, let me know, and we will reverse the sale.
Pump:
max. working pressure: 2500 psi.
- Output 1: 30 gal/min.
- Output 2: 3 gal/min.
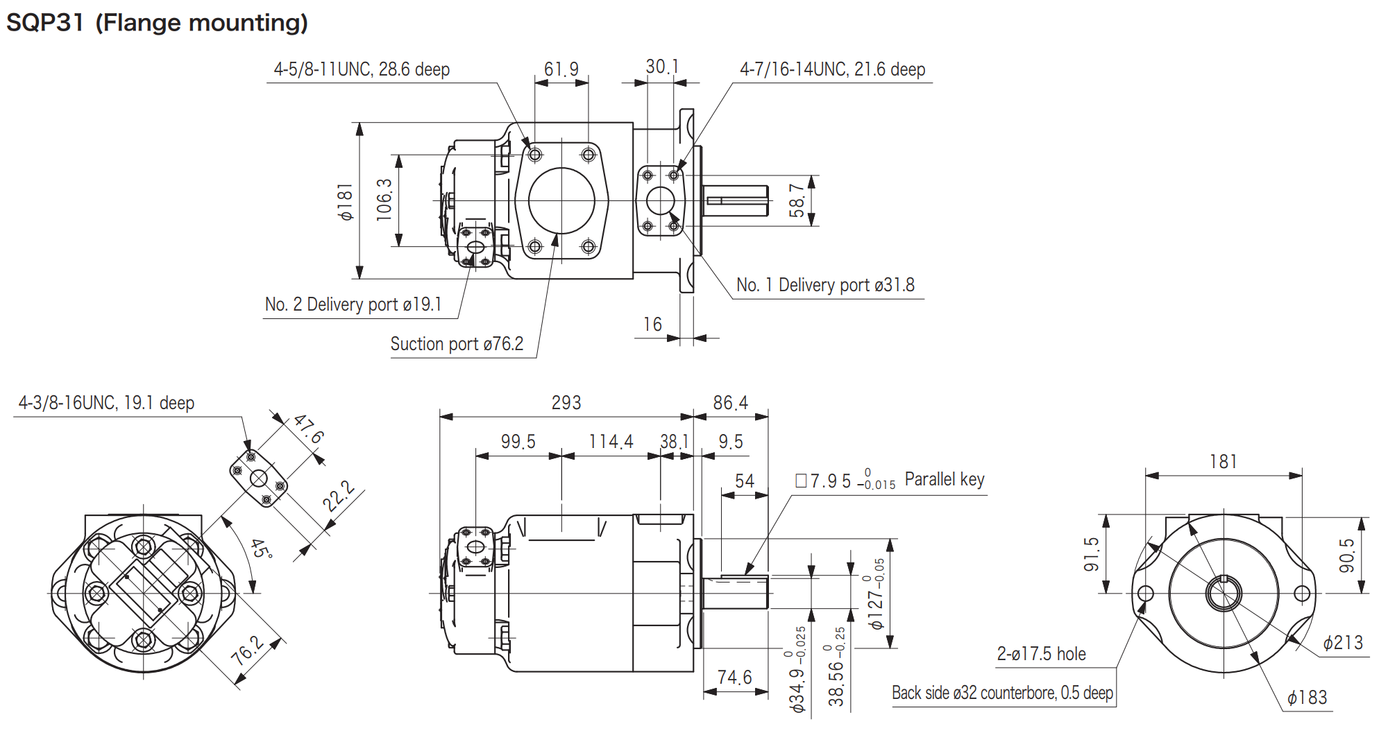
The placard on the pump says, "SQP301..." Having studied the available product literature, it appears that this was an earlier designation for what is now called SQP31, as the specs and dimensions line up quite well. There may, however, be some differences between the product for sale and the SQP31 data.
Motor:
Toshiba Electric, 1170 RPM, 30kW (40 HP), 6 pole, 3-phase, 230/460 VAC 60Hz
Frame No. 200L; Cast iron
Mounting Holes: Four 18mm bolts on rectangular grid, 318 mm (12.52 in) W by 305 mm (12.01 in) L.
Overall Pump and Motor Dimensions:
Width: 23 in (including connection can)
Height/Dia: 16.5 in
Length: 42 in
Overall Wt: approx. 750 lb
Shipping Wt: To be determined after I have a chance to weigh it.
Motor has never been connected to A VFD or inverter—always connected direct to utility power.
This motor and pump comes with a series-to-parallel time-delay soft-start circuit (for low voltage use only). This circuit will not work if you are installing the pump to run on 460/480 VAC. It works quite well, however, for 230/240 VAC installation. For high voltage connection, soft-start requires a Wye-to-Delta delay switch, which requires a slightly more complex contactor configuration.























